当前位置:
首页
>
政务公开
>
文件库
>
公示公告
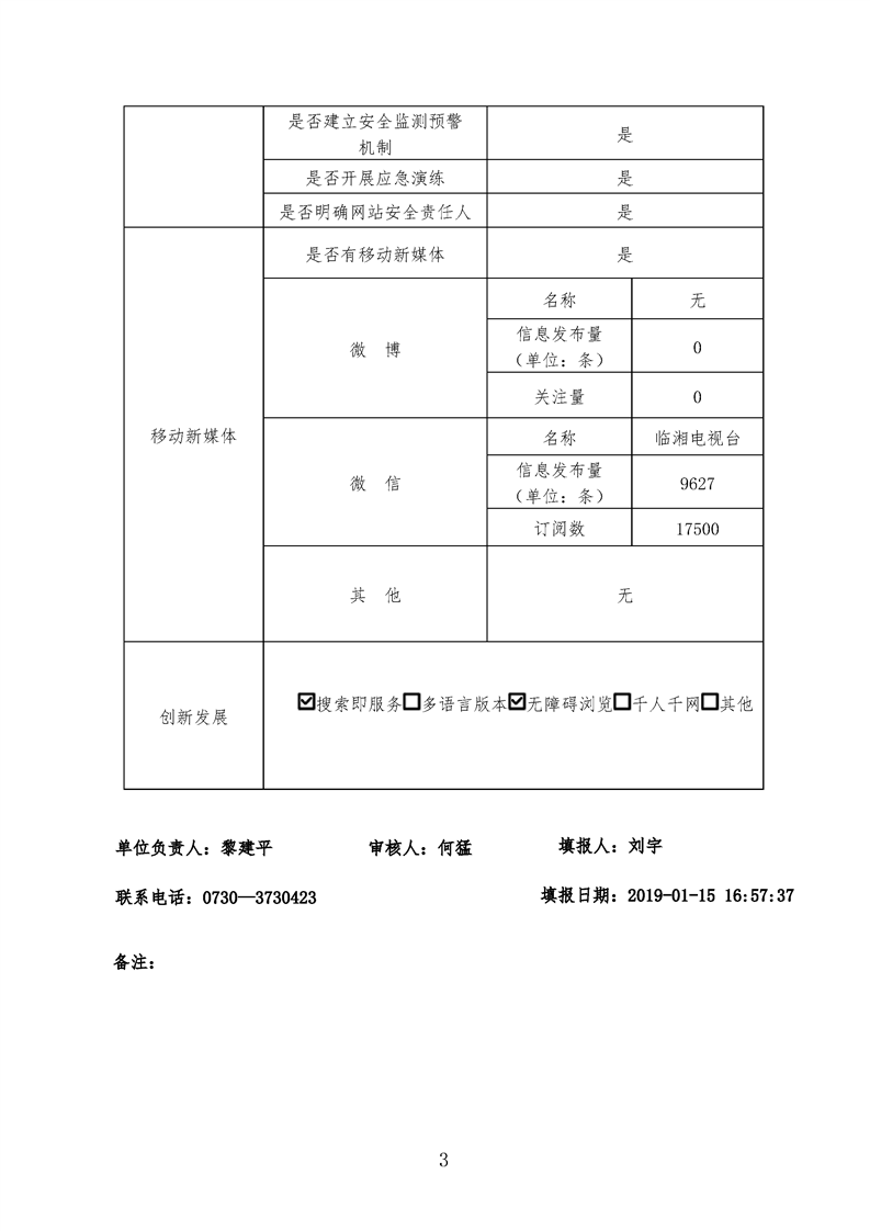
临湘市政府网站工作年度报表
来源:临湘市政府门户网站
日期: 2019-01-15 11:29
浏览量:
1
|
|
|
|