临湘市人民政府 水利局
政府信息公开
政府信息公开指南
政府信息公开制度
法定主动公开内容
机构设置
政策文件
规划计划
办事指南
行政执法
通知公告
政府信息公开年报
依 申 请公 开
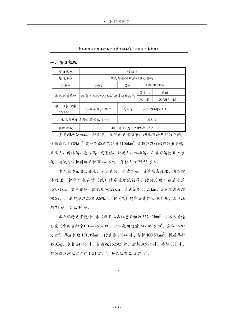
黄盖湖防洪治理工程监测总报
来源: 临湘市水务局
发布时间: 2022-12-01 14:56
浏览次数:
1