当前位置:
首页
>
政府信息公开
>
部门单位
>
临湘高新区
>
通知公告
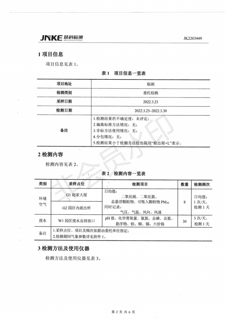
2022年三湾第一季度环境质量报告
来源:工业园
日期: 2022-11-10 08:49
浏览量:
1
|
|
|
|