当前位置:
首页
>
数据发布
>
水质监测
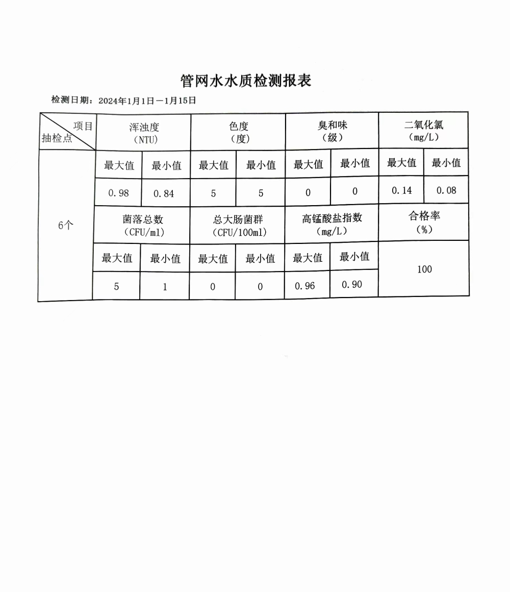
兴临自来水公司日检、半月检水质信息公开(1月上半月)
来源:住建局
日期: 2024-01-19 10:35
浏览量:
1
|
|
|
|