当前位置:
首页
>
数据发布
>
水质监测
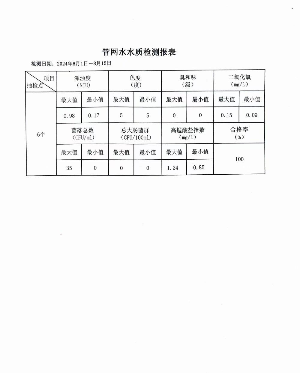
8月上半月兴临自来水公司日检、半月检水质信息公开
来源:住建局
日期: 2024-08-20 15:26
浏览量:
1
|
|
|
|