临湘市人民政府 交通运输局
政府信息公开
政府信息公开指南
政府信息公开制度
法定主动公开内容
机构设置
人事信息
交通建设
政策文件
规划计划
资金信息
通知公告
政府信息公开年报
依 申 请公 开
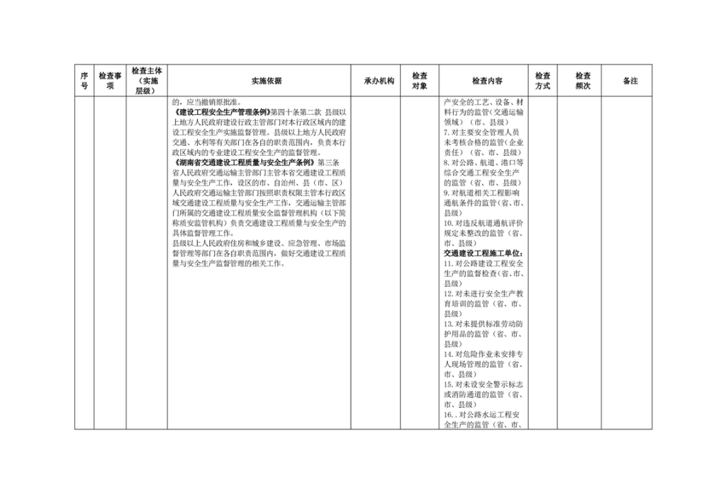
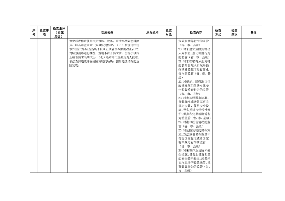
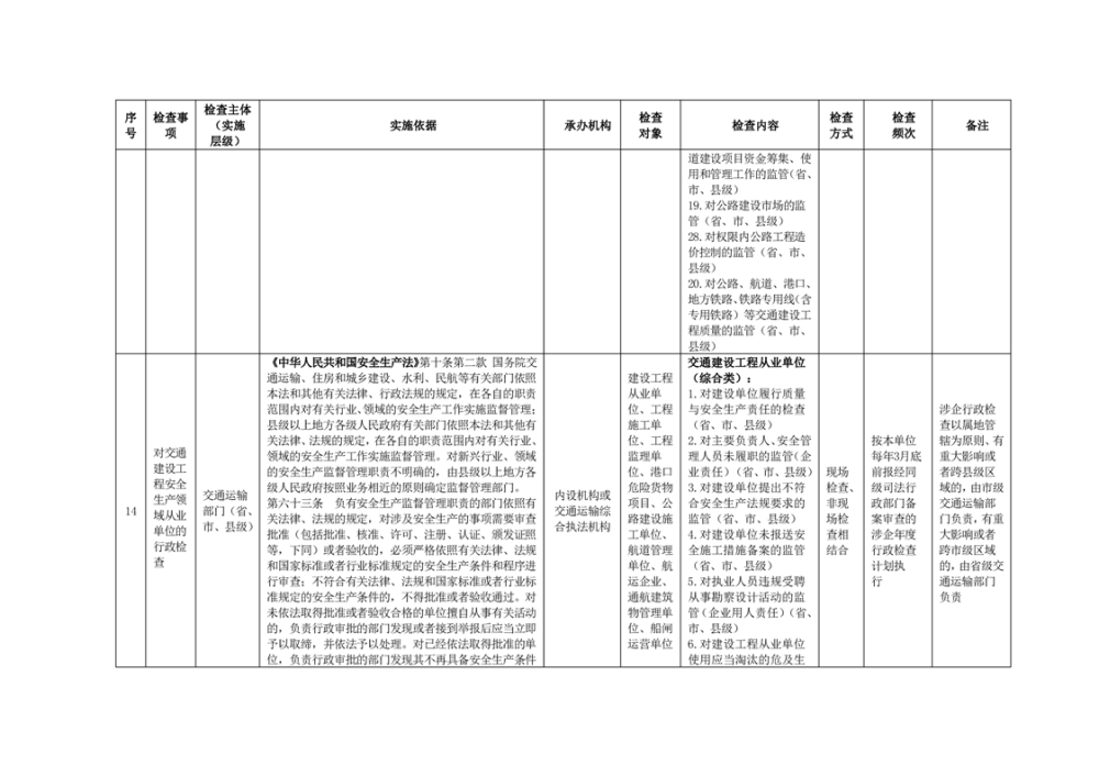
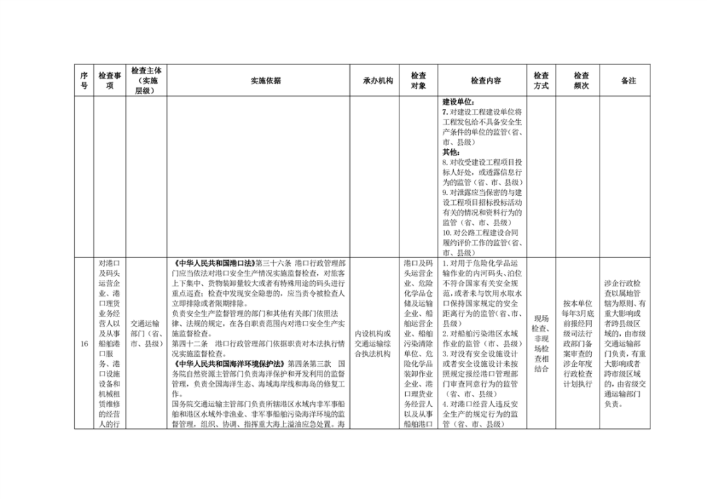
临湘市交通运输局涉企行政检查事项清单
来源: 临湘市交通运输局
发布时间: 2025-05-29 16:42
浏览次数:
1